Menü
Kezdőlap
Rólunk
Kapcsolat
Vásárlási fetételek
Vásárlási szabályzat
Adatvédelmi szabályzat
Kezdőlap
::
BÁLÁZÓGÉPEK
::
BÁLÁZÓ Z 562
::
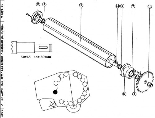
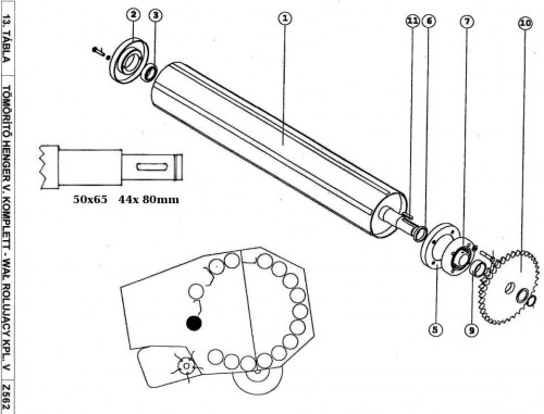
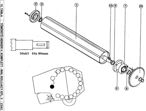
13Tömörítő henger V.
Tömörítő henger II.
leiras
Regisztráció
Cikkszám:
000.072/.000
Sorszám:
1
Letölthető dokumentum