Menü
Kezdőlap
Rólunk
Kapcsolat
Vásárlási fetételek
Vásárlási szabályzat
Adatvédelmi szabályzat
Kezdőlap
::
BÁLÁZÓGÉPEK
::
BÁLÁZÓ Z 562
::
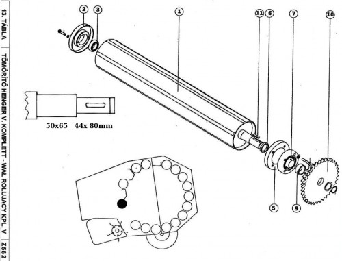
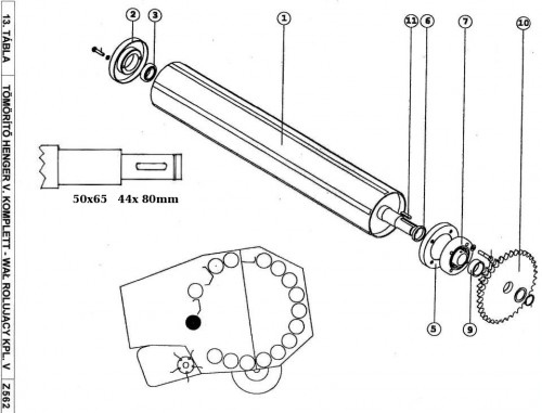
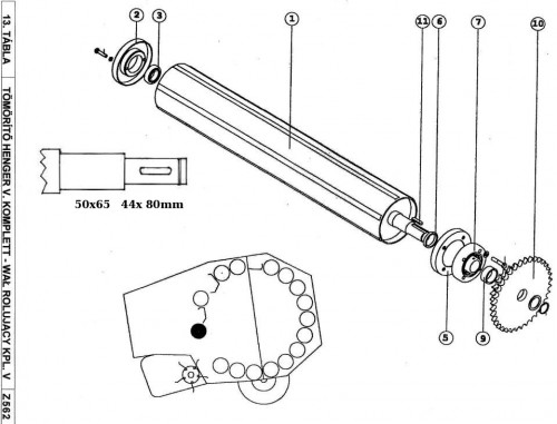
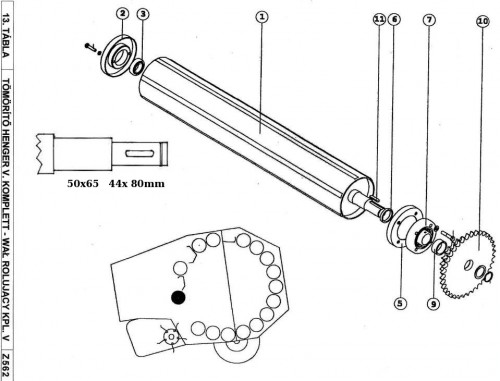
13Tömörítő henger V.
Speciális alátét
leiras
Regisztráció
Cikkszám:
000.000.091
Sorszám:
6