Menü
Kezdőlap
Rólunk
Kapcsolat
Vásárlási fetételek
Vásárlási szabályzat
Adatvédelmi szabályzat
Kezdőlap
::
BÁLÁZÓGÉPEK
::
BÁLÁZÓ Z 562
::
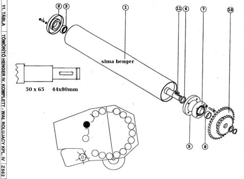
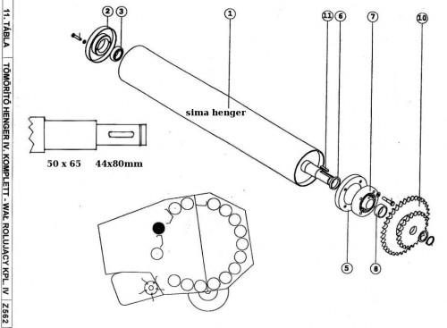
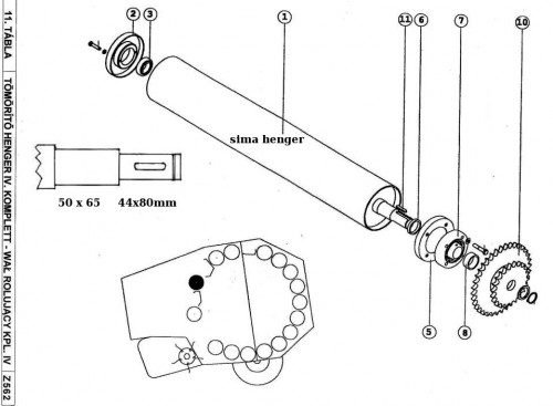
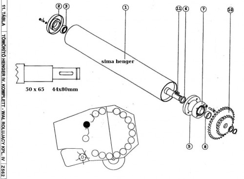
11Tömörítő henger IV
Persely
leiras
Regisztráció
Cikkszám:
000.000.089
Sorszám:
8