Menü
Kezdőlap
Rólunk
Kapcsolat
Vásárlási fetételek
Vásárlási szabályzat
Adatvédelmi szabályzat
Kezdőlap
::
BÁLÁZÓGÉPEK
::
BÁLÁZÓ Z 562
::
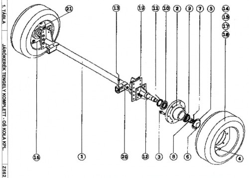
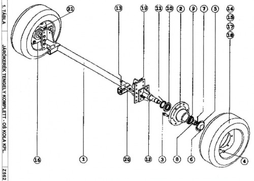
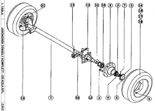
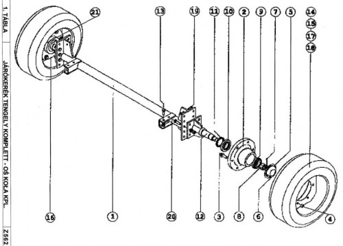
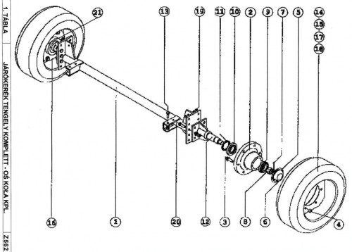
01Járókerék-tengely kpl.
Kúpcsapágy 32211 RS
leiras
Regisztráció
Cikkszám:
32211RS
Sorszám:
10