Menü
Kezdőlap
Rólunk
Kapcsolat
Vásárlási fetételek
Vásárlási szabályzat
Adatvédelmi szabályzat
Kezdőlap
::
BÁLÁZÓGÉPEK
::
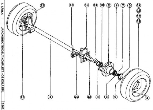
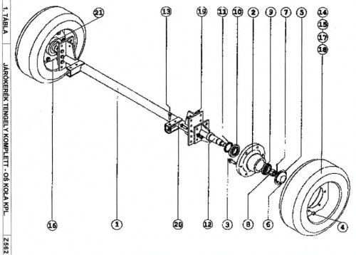
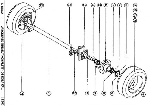
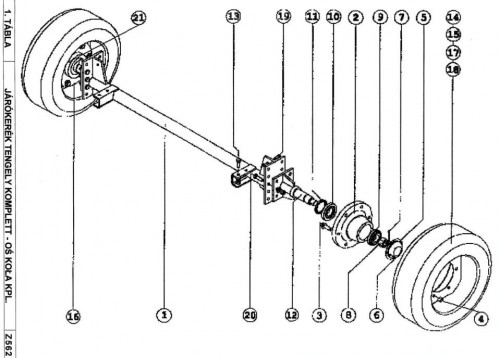
BÁLÁZÓ Z 562
::
01Járókerék-tengely kpl.
Kerktárcsa felni
leiras
Regisztráció
Cikkszám:
000.008.007
Sorszám:
16