Menü
Kezdőlap
Rólunk
Kapcsolat
Vásárlási fetételek
Vásárlási szabályzat
Adatvédelmi szabályzat
Kezdőlap
::
BÁLÁZÓGÉPEK
::
BÁLÁZÓ Z 562
::
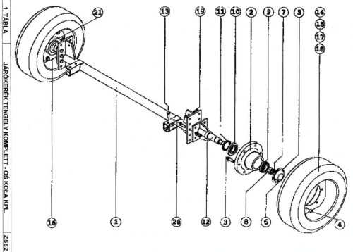
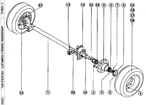
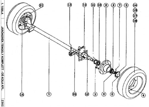
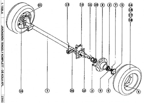
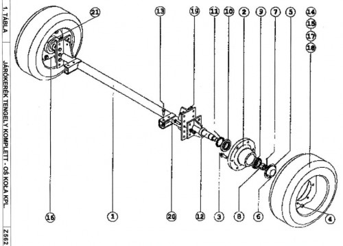
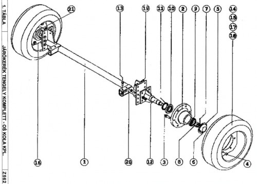
01Járókerék-tengely kpl.
Kerékcsavar
leiras
Regisztráció
Cikkszám:
000.008.001
Sorszám:
3