Menü
Kezdőlap
Rólunk
Kapcsolat
Vásárlási fetételek
Vásárlási szabályzat
Adatvédelmi szabályzat
Kezdőlap
::
BÁLÁZÓGÉPEK
::
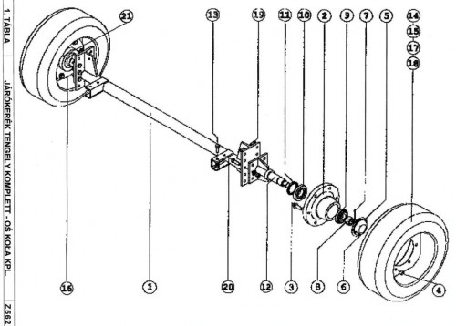
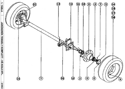
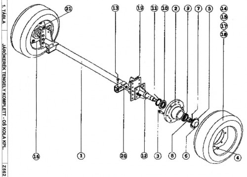
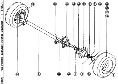
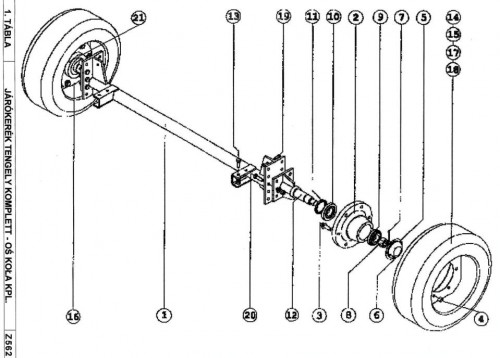
BÁLÁZÓ Z 562
::
01Járókerék-tengely kpl.
Kerékanya
leiras
Regisztráció
Cikkszám:
000.008.003
Sorszám:
4