Menü
Kezdőlap
Rólunk
Kapcsolat
Vásárlási fetételek
Vásárlási szabályzat
Adatvédelmi szabályzat
Kezdőlap
::
BÁLÁZÓGÉPEK
::
BÁLÁZÓ Z 562
::
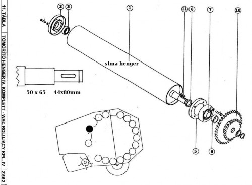
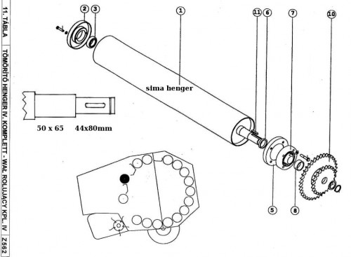
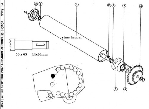
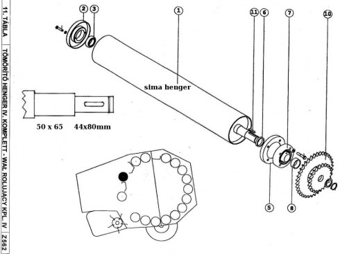
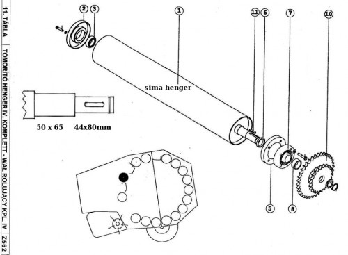
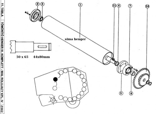
11Tömörítő henger IV
Fedél II.
leiras
Regisztráció
Cikkszám:
000.078.000
Sorszám:
5