Menü
Kezdőlap
Rólunk
Kapcsolat
Vásárlási fetételek
Vásárlási szabályzat
Adatvédelmi szabályzat
Saját fiók
E-mail:
Jelszó:
Regisztráció
Jelszó emlékeztetõ
Termék kategóriák
ALKATRÉSZ
BÁLÁZÓGÉPEK
CSŐTÖRŐGÉPEK
ERDÉSZETI TARTOZÉK
FŰKASZÁK
FŰNYÍRÓK
KULTIVÁTOR
MŰTRÁGYASZÓRÓ
PERMETEZŐGÉP ALKATRÉSZ
PÓTKOCSI
RENDKEZELŐ
SZÁRZÚZÓ
TRAKTOROK
VETŐGÉPEK
Kosár
Kosár tartalma »
Vásárlási szabályzat
A vásárlással, megrendeléssel kapcsolatos információk megtekintése »
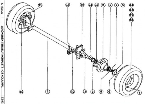
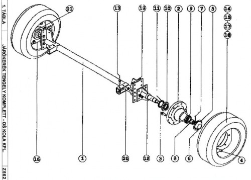
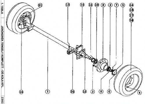
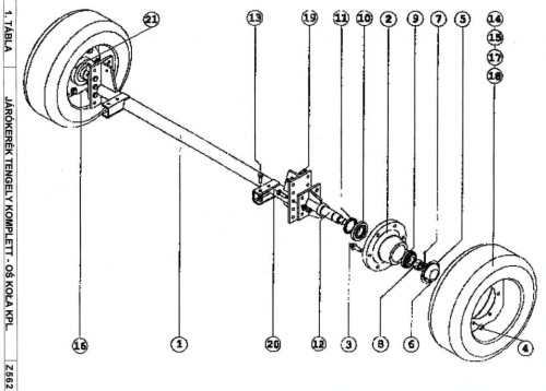
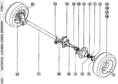
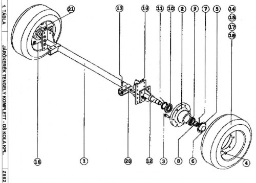
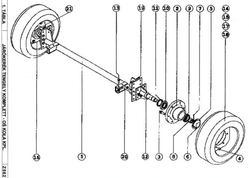
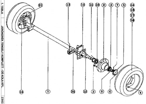
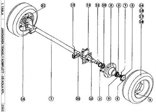
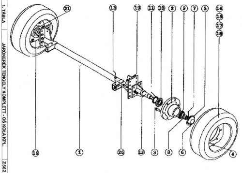
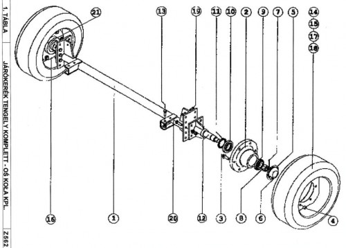
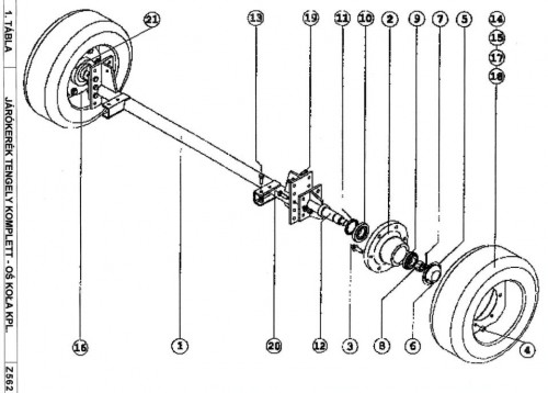
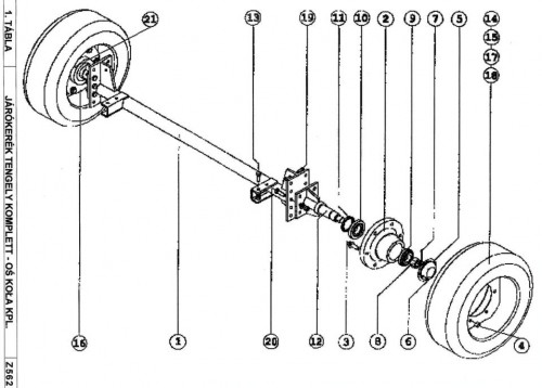
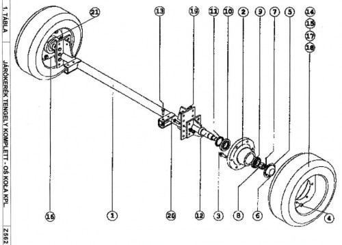
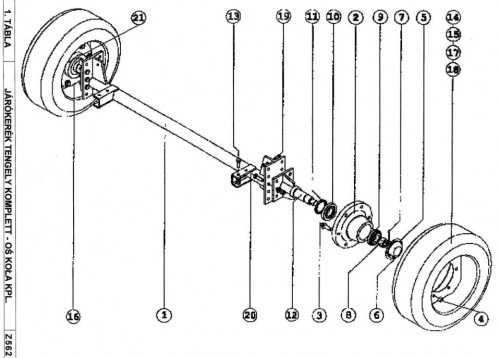
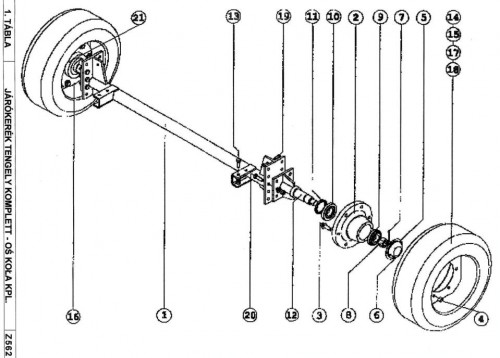
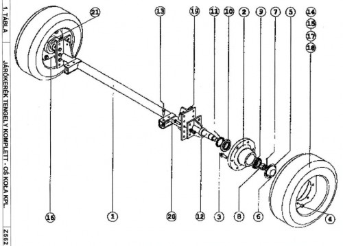
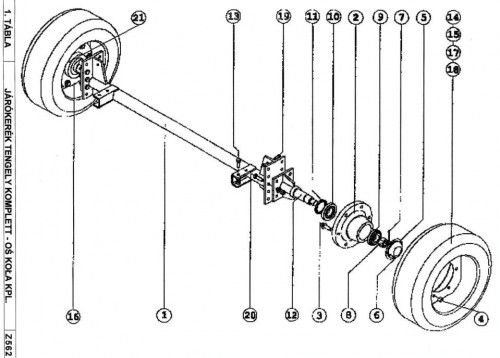
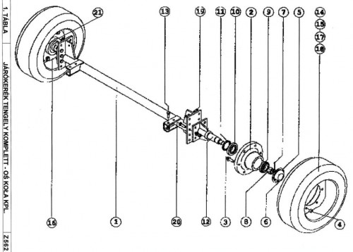
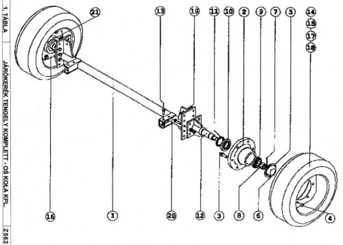
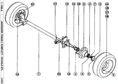
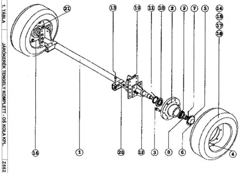
01Járókerék-tengely kpl.
Alkatrészek
Cikkszám
Név
Ár
Ajánlat
1
000.008.000
Főtengely
0 Ft + áfa
Regisztráció
2
000.008.002
Kerékagy
0 Ft + áfa
Regisztráció
3
000.008.001
Kerékcsavar
0 Ft + áfa
Regisztráció
4
000.008.003
Kerékanya
0 Ft + áfa
Regisztráció
5
000.008.004
Zárófedél
0 Ft + áfa
Regisztráció
9
32210RS
Kúpgörgős csapágy
0 Ft + áfa
Regisztráció
10
32211RS
Kúpcsapágy 32211 RS
0 Ft + áfa
Regisztráció
11
A75x100x10
Szimering
0 Ft + áfa
Regisztráció
12
000.099.000
Féltengely
0 Ft + áfa
Regisztráció
14
000.008.005
Gumiabroncs
0 Ft + áfa
Regisztráció
15
000.008.006
Gumitömlő
0 Ft + áfa
Regisztráció
16
000.008.007
Kerktárcsa felni
0 Ft + áfa
Regisztráció
21
000.000.222
Kerékagy tartó
0 Ft + áfa
Regisztráció